Текущее время: 17 май 2026 11:22

Часовой пояс: UTC + 3 часа




Начать новую тему Ответить на тему  [ Сообщений: 26 ]  На страницу Пред.  1, 2
Автор Сообщение
 Заголовок сообщения: Re: ХЕЛП!!!
СообщениеДобавлено: 02 янв 2012 13:35 
Не в сети

Зарегистрирован: 24 фев 2009 19:21
Сообщения: 5906
Откуда: г. Королёв МО
давай по телефону, а сейчас пойду дальше разбираться что за провода и куда ведут. :nsushi:
вот мне прислали с /паджеро-форума/ говорят эта моя!!!
естественно все названия цфры и буквы с номерами Я удалил!!!
осталась одна схема.
Вложение:
rx1-1.jpg
rx1-1.jpg [ 393.51 Кб | Просмотров: 14635 ]

_________________
Изображение
Нет того, что человек не может, есть то, чего он недостаточно хочет!!!


Вернуться к началу
 Профиль Отправить email  
 
 Заголовок сообщения: Re: ХЕЛП!!!
СообщениеДобавлено: 02 янв 2012 14:41 
Не в сети
Аватара пользователя

Зарегистрирован: 09 фев 2011 15:15
Сообщения: 1002
Откуда: Планета Земля
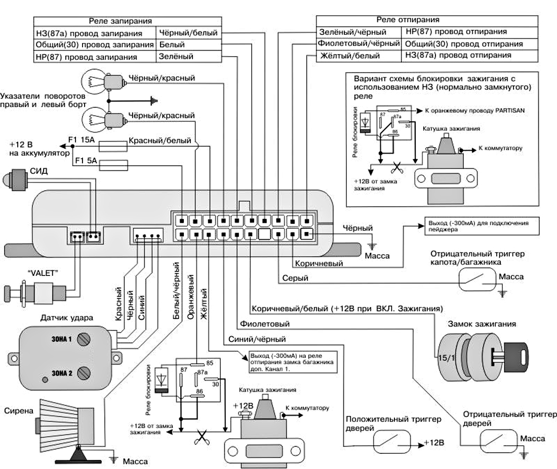
От большого разъема по оранжевому проводу идет управление реле блокировки. управляется минусом.
все равно нужно искать колодку реле, вынимать его, менять на заведомо исправное или перемыкать в колодке контакты 30 и 87.
От блока иди по оранжевому проводу и найдешь колодку

_________________
Шаман - это карма
Zoom-zoom пикап


Вернуться к началу
 Профиль Отправить email  
 
 Заголовок сообщения: Re: ХЕЛП!!!
СообщениеДобавлено: 02 янв 2012 14:51 
Не в сети
Аватара пользователя

Зарегистрирован: 24 июн 2010 15:32
Сообщения: 1659
Откуда: Москва
К вопросу о блондинках. Офтоп, конечно, но ведь повод!
Что бы это значило? (Очень похоже на указание перерезать провод ножницами)
Вложение:
rx1-1.jpg
rx1-1.jpg [ 50.58 Кб | Просмотров: 14633 ]


Вернуться к началу
 Профиль Отправить email  
 
 Заголовок сообщения: Re: ХЕЛП!!!
СообщениеДобавлено: 02 янв 2012 14:58 
Не в сети

Зарегистрирован: 24 фев 2009 19:21
Сообщения: 5906
Откуда: г. Королёв МО
После общения с Эскудо пришла мысль вааще снять её :evil3: ибо это зло может проявится где нибудь вне подходящем месте.

_________________
Изображение
Нет того, что человек не может, есть то, чего он недостаточно хочет!!!


Вернуться к началу
 Профиль Отправить email  
 
 Заголовок сообщения: Re: ХЕЛП!!!
СообщениеДобавлено: 02 янв 2012 15:08 
Не в сети
Аватара пользователя

Зарегистрирован: 24 июн 2010 15:32
Сообщения: 1659
Откуда: Москва
Примус писал(а):
После общения с Эскудо пришла мысль вааще снять её :evil3: ибо это зло может проявится где нибудь вне подходящем месте.

А теперь кроме шуток. Там, действительно, перекусывают штатный провод, когда ставят эту релюху. Скрути его обратно... и пока всё. Именно об этом тебе Шаман пишет. А начнёшь выпотрашивать - может стать ещё хуже.


Вернуться к началу
 Профиль Отправить email  
 
 Заголовок сообщения: Re: ХЕЛП!!!
СообщениеДобавлено: 02 янв 2012 15:25 
Не в сети

Зарегистрирован: 24 фев 2009 19:21
Сообщения: 5906
Откуда: г. Королёв МО
С Гоблином на пару завели :ndink:
решение 2 минут.
зы: ща прогреться расскажу в чем дело, :nlol:
чем больше электроники тем дороже решение.

_________________
Изображение
Нет того, что человек не может, есть то, чего он недостаточно хочет!!!


Вернуться к началу
 Профиль Отправить email  
 
 Заголовок сообщения: Re: ХЕЛП!!!
СообщениеДобавлено: 02 янв 2012 15:53 
Не в сети
Аватара пользователя

Зарегистрирован: 09 фев 2011 15:15
Сообщения: 1002
Откуда: Планета Земля
Примус писал(а):
После общения с Эскудо пришла мысль вааще снять её :evil3: ибо это зло может проявится где нибудь вне подходящем месте.

Да все нормально, просто нужно помнить, где стоит реле блокировки, и если вдруг глюканет, нужно до него добраться и перемкнуть его.

_________________
Шаман - это карма
Zoom-zoom пикап


Вернуться к началу
 Профиль Отправить email  
 
 Заголовок сообщения: Re: ХЕЛП!!!
СообщениеДобавлено: 02 янв 2012 15:55 
Не в сети
Аватара пользователя

Зарегистрирован: 09 фев 2011 15:15
Сообщения: 1002
Откуда: Планета Земля
Примус писал(а):
С Гоблином на пару завели :ndink:
решение 2 минут.
зы: ща прогреться расскажу в чем дело, :nlol:
чем больше электроники тем дороже решение.

Оно всегда так, только если не знаешь куда лезть, то кажется гемором.

_________________
Шаман - это карма
Zoom-zoom пикап


Вернуться к началу
 Профиль Отправить email  
 
 Заголовок сообщения: Re: ХЕЛП!!!
СообщениеДобавлено: 02 янв 2012 16:58 
Не в сети
Аватара пользователя

Зарегистрирован: 10 ноя 2009 07:33
Сообщения: 1174
Откуда: столько веселья, если у тебя Лендровер?
Примус писал(а):
С Гоблином на пару завели :ndink:
решение 2 минут.

2 минуты прицепляли трос, тк сдох стартер? :lol:

_________________
также: You can go fast i can go anywhere.)))
www.podrezkov.com


Вернуться к началу
 Профиль Отправить email  
 
 Заголовок сообщения: Re: ХЕЛП!!!
СообщениеДобавлено: 02 янв 2012 17:29 
Не в сети
Аватара пользователя

Зарегистрирован: 06 сен 2009 18:39
Сообщения: 743
Откуда: г.Королев
3WHouse писал(а):
Примус писал(а):
С Гоблином на пару завели
решение 2 минут.

2 минуты прицепляли трос, тк сдох стартер? :lol:

Почти угадал, залипло реле стартера. :nlol:

_________________
Toyota Hilux, и Yamaha.


Вернуться к началу
 Профиль Отправить email  
 
 Заголовок сообщения: Re: ХЕЛП!!!
СообщениеДобавлено: 02 янв 2012 18:12 
Не в сети
Аватара пользователя

Зарегистрирован: 10 ноя 2009 07:33
Сообщения: 1174
Откуда: столько веселья, если у тебя Лендровер?
Санчес писал(а):
Почти угадал, залипло реле стартера. :nlol:

Клиент приезжает в автосервис с проблемой. Выходит мастер, осматривает автомобиль, берет кувалду... Удар - проблема решена. Выписывает клиенту счет - 100 долларов.
- За один удар - 100 долларов? - негодует клиент.
- За удар - 1 доллар. А вот за то, что знал, куда ударить - 99 долларов. Итого - 100!

_________________
также: You can go fast i can go anywhere.)))
www.podrezkov.com


Вернуться к началу
 Профиль Отправить email  
 
Показать сообщения за:  Поле сортировки  
Начать новую тему Ответить на тему  [ Сообщений: 26 ]  На страницу Пред.  1, 2

Часовой пояс: UTC + 3 часа


Кто сейчас на конференции

Сейчас этот форум просматривают: нет зарегистрированных пользователей и гости: 23


Вы не можете начинать темы
Вы не можете отвечать на сообщения
Вы не можете редактировать свои сообщения
Вы не можете удалять свои сообщения
Вы не можете добавлять вложения

Найти:
Перейти:  
Powered by phpBB © 2000, 2002, 2005, 2007 phpBB Group
Русская поддержка phpBB